Description
- Matériel:Caoutchouc
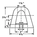
- Type:garde-boue percé
- Trous d'ancrage:2 requis, 6"
- Protégez-vous contre les impacts dommageables
- Fabriqué en caoutchouc synthétique résistant à l'âge, aux intempéries et à l'abrasion
- Facile à installer et l'apparence de la garniture les rend bien adaptés pour une utilisation sur les camions et les quais de camions.
- La forme semi-ovale permet au rayon de s'élargir lors de l'impact, créant une meilleure déviation
- Facilement installé manuellement ou par des outils électriques
- La quincaillerie est dissimulée une fois l'installation terminée ; ; Remarque :Toutes les dimensions indiquées sont nominales et peuvent varier en moyenne de 5 % dans le processus de fabrication. ; ; MONTAGE DES DÉFENSES DE QUAI D-4 ; Sur le bois:utilisez des tirefonds de 1/2"; sur le béton:utilisez des attaches autoperceuses de 1/2"; Sur l'acier :souder des goujons de 1/2"sur les centres selon les besoins ; ; Dans tous les cas, une barre de métal percée de 3/16"x 1 1/2"doit être insérée dans l'alésage de l'aile pour agir comme une rondelle continue.
| Matériel | Caoutchouc |
| Largeur | 4-1/2" |
| Longueur | 12" |
| Profondeur | 3-3/4" |
| Taper | Garde-boue percé |
| Trous d'ancrage | 2 requis, 6" |
Paiement et sécurité
Vos informations de paiement sont gérées de manière sécurisée. Nous ne stockons ni ne pouvons récupérer votre numéro de carte bancaire.
